芯城品牌采购网 > 品牌资讯 > 元器件百科 > 光纤适配器

光纤适配器

芯城品牌采购网

26141

dc071b27018c319f85eabc9e21157a2921.png

光纤适配器概述

光纤适配器两端可插入不同接口类型的光纤连接器, 实现FC、SC、ST、LC、MTRJ、MPO、E2000等不同接口间的转换,广泛应用于光纤配线架(ODF)、光纤通信设备、仪器等, 性能超群, 稳定可靠。市面上有的将光纤适配器也叫光纤连接器, 实际上这是两种不同的产品。

光纤适配器特性

光纤之间是由适配器通过其内部的开口套管连接起来的,以保证光纤跳线之间的最高连接性能。为了固定在各种面板上,还设计了多种精细的固定法兰。   

变换型适配器可以连接不同类型的光纤跳线接口, 并提供了APC端面之间的连接.双连或多连可提高安装密度。

光纤适配器类型

FC/PC FC/UPC FC/APC SC/PC SC/UPC SC/APC ST/PC ST/UPC SC/APC

光纤适配器

光纤适配器有SC,FC,ST之分

SC代表Standard Connector

ST代表Straight Tip

FC代表Fiber Connector

“/”前面部分表示尾纤的连接器型号

“SC”接头是标准方型接头,采用工程塑料,具有耐高温,不容易氧化优点。传输设备侧光接口一般用SC接头

“LC”接头与SC接头形状相似,较SC接头小一些。

“FC”接头是金属接头,一般在ODF侧采用,金属接头的可插拔次数比塑料要多。

l 连接器的品种信号较多,除了上面介绍的三种外,还有MTRJ、ST、MU等,具体的外观参见下图

l /”后面表明光纤接头截面工艺,即研磨方式。

“PC”在电信运营商的设备中应用得最为广泛,其接头截面是平的。

“UPC”的衰耗比“PC”要小,一般用于有特殊需求的设备,一些国外厂家ODF架内部跳纤用的就是FC/UPC,主要是为提高ODF设备自身的指标。

u 另外,在广电和早期的CATV中应用较多的是“APC”型号,其尾纤头采用了带倾角的端面,可以改善电视信号的质量,主要原因是电视信号是模拟光调制,当接头耦合面是垂直的时候,反射光沿原路径返回。由于光纤折射率分布的不均匀会再度返回耦合面,此时虽然能量很小但由于模拟信号是无法彻底消除噪声的,所以相当于在原来的清晰信号上叠加了一个带时延的微弱信号,表现在画面上就是重影。尾纤头带倾角可使反射光不沿原路径返回。一般数字信号一般不存在此问题   l 光纤连接器 (适配器

u 光纤连接器是光纤光纤之间进行可拆卸(活动)连接的器件,它是把光纤的两个端面精密对接起来,以使发射光纤输出的光能量能最大限度地耦合到接收光纤中去,并使由于其介入光链路而对系统造成的影响减到最小,这是光纤连接器的基本要求。在一定程度上,光纤连接器也影响了光传输系统的可靠性和各项性能。

光纤连接器按传输媒介的不同可分为常见的硅基光纤的单模、多模连接器,还有其它如以塑胶等为传输媒介的光纤连接器;按连接头结构形式可分为:FC、SC、ST、LC、D4、DIN、MU、MT等等各种形式。其中,ST连接器通常用于布线设备端,如光纤配线架、光纤模块等;而SC和MT连接器通常用于网络设备端。按光纤端面形状分有FC、PC(包括SPC或UPC)和APC;按光纤芯数划分还有单芯和多芯(如MT-RJ)之分。光纤连接器应用广泛,品种繁多。在实际应用过程中, 们一般按照光纤连接器结构的不同来加以区分。以下是一些目前比较常见的光纤连接器:

(1)FC型光纤连接器

这种连接器最早是由日本NTT研制。FC是FERRULE CONNECTOR的缩写,表明其外部加强方式是采用金属套,紧固方式为螺丝扣。最早,FC类型的连接器,采用的陶瓷插针的对接端。此类连接器结构简单,操作方便,制作容易,但光纤端面对微尘较为敏感,且容易产生菲涅尔反射,提高回波损耗性能较为困难。后来,对该类型连接器做了改进,采用对接端面呈球面的插针(PC),而外部结构没有改变,使得插入损耗和回波损耗性能有了较大幅度的提高。

(2)SC型光纤连接器

这是一种由日本NTT公司开发的光纤连接器。其外壳呈矩形,所采用的插针与耦合套筒的结构尺寸与FC型完全相同,。其中插针的端面多采用PC或APC型研磨方式;紧固方式是采用插拔销闩式,不需旋转。此类连接器价格低廉,插拔操作方便,介入损耗波动小,抗压强度较高,安装密度高。

ST和SC接口是光纤连接器的两种类型,对于10BASE-F连接来说,连接器通常是ST类型的,对于100BASE-FX来说,连接器大部分情况下为SC类型的。ST连接器的芯外露,SC连接器的芯在接头里面。

(3) 双锥型连接器(BICONIC CONNECTOR)

这类光纤连接器中最有代表性的产品由美国贝尔实验室开发研制,它由两个经精密模压成形的端头呈截头圆锥形的圆筒插头和一个内部装有双锥形塑料套筒的耦合组件组成。

(4) DIN47256型光纤连接器

这是一种由德国开发的连接器。这种连接器采用的插针和耦合套筒的结构尺寸与FC型相同,端面处理采用PC研磨方式。与FC型连接器相比,其结构要复杂一些,内部金属结构中有控制压力的弹簧,可以避免因插接压力过大而损伤端面。另外,这种连接器的机械精度较高,因而介入损耗值较小。

(5) MT-RJ型连接器

MT-RJ起步于NTT开发的MT连接器,带有与RJ-45型LAN电连接器相同的闩锁机构,通过安装于小型套管两侧的导向销对准光纤,为便于与光收发信机相连,连接器端面光纤为双芯(间隔0.75MM)排列设计,是主要用于数据传输的下一代高密度光纤连接器。

(6) LC型连接器

LC型连接器是著名BELL(贝尔)研究所研究开发出来的,采用操作方便的模块化插孔(RJ)闩锁机理制成。其所采用的插针和套筒的尺寸是普通SC、FC等所用尺寸的一半,为1.25MM。这样可以提高光纤配线架中光纤连接器的密度。目前,在单模SFF方面,LC类型的连接器实际已经占据了主导地位,在多模方面的应用也增长迅速。

(7) MU型连接器

MU(MINIATURE UNIT COUPLING)连接器是以目前使用最多的SC型连接器为基础,由NTT研制开发出来的世界上最小的单芯光纤连接器,。该连接器采用1.25MM直径的套管和自保持机构,其优势在于能实现高密度安装。利用MU的L.25MM直径的套管,NTT已经开发了MU连接器系列。它们有用于光缆连接的插座型连接器(MU-A系列);具有自保持机构的底板连接器(MU-B系列)以及用于连接LD/PD模块与插头的简化插座(MU-SR系列)等。随着光纤网络向更大带宽更大容量方向的迅速发展和DWDM技术的广泛应用,对MU型连接器的需求也将迅速增长。

光纤适配器产品特点

1、插入损耗低,每通过一个适配的连接损耗小于0.2db

2、互换性好

3、重复性好

光纤适配器应用范围

1、光纤通信系统

2、有限电视网络

3、局域网、光域网

4、光纤到户(FTTP)

5、视频传输

6、测试仪器

光纤适配器规格型号

AFS 检测设备可以再裸光纤和50种不同类型光纤连接器上使用,包括用于多模态和单模态的标准连接器,甚至大部分的塑料光纤连接器。 功率表和AF-OS417-MD电源使用AFS专营的铝制外壳和聚甲醛树脂适配器

主要特性:

· 适用于大部分规格连接器的适配器

· 超过50中类型的适配器

· 裸光纤适配器

· 标准2.5mm 适配器(ST,FC和SC)

· 小规格波形:1.25mm(LC, MTRJ等)

· POF 类型连接适配器(HFBR, Toslink, e.t.c.)

光纤适配器设计与实现

HDMI(高清晰度多媒体接口)是由日立、松下、飞利浦、Silicon Image、索尼、汤姆逊和东芝7家公司成立的HDMI组织制定的专用数字视频/音频传输标准。HDMI是针对下一代多媒体影音设备所开发的传输接口,适用于数字家电的数字电视、DVD播放机、DVD录放机、PVR、机顶盒及其他数字视听产品。其最大特色是该接口可以在一根传输电缆内传送无压缩的音频信号及高分辨率视频信号。随着带HDMI接口的终端产品的增加,在酒吧和卖场等一些公共场合需要类似以前AV格式的音视频分配器产品。本文中详细介绍了如何利用ANX9011和ANX9030来设计一进四出的HDMI分配器。

HDMI接口及系统概述

目前消费者正受到各种AV连接数过于庞大的困扰。HDMI接口可以用单一的连线取代众多的影音连线,简洁又方便。目前HDMI接口已经有成为数字影音产品的必配接口之一的趋势。

HDMI接口主要有三个通信通道,接口示意图如图1所示。TMDS通道:负责所有音频和视频数据的传输。辅助数据,如AVI InfoFrame、Audio InfoFrame等也是通过TMDS通道。DDC通道:HDMI源端,通过这个通道来读取接收端(Sink)的E-EDID数据结构,进而得知接收端内含的机能与特性。CEC通道:这是一个可选项(Option),它提供更高层次的使用方式让消费者使用,例如自动设定的细节、单键播放或是遥控相关的事。

dc071b27018c319f85eabc9e21157a2921.png

图1  HDMI接口示意图

在某些情况下,HDMI的源端会使用到AVI InfoFrame与Audio InfoFrame。AVI InfoFrame所包含的信息是为了实现与达成显示模式自动化(Display Mode Automation)而规划的一种方法或机制,如比色法、显示比例、像数重复因数等。Audio InfoFrame信息包含通道数、代码类型、采样尺寸、采样频率等信息。

E-EDID是增强型扩充显示器识别数据(Enhanced Extended Display Identification Data Standard)的简称。源装置使用DDC(Display Data Channel)来读取终端接收显示装置的E-EDID,以确认终端显示装置的设定与功能。

HDCP数字内容保护则是英特尔开发的为HDMI提供高带宽数字内容保护的解码技术。配备了HDCP解码技术的HDMI就不会受到信号加密的限制,可以接受全部格式的高清信号。

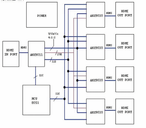
HDMI分配器系统结构及芯片特点

HDMI分配器系统结构如图2所示。

dc071b27018c319f85eabc9e21157a2921.png

图2  HDMI分配器系统框图

HDMI分配器工作原理如下:当HDMI输入端口接收到HDMI的视频输入信号后,转换为内嵌行场同步的Y/Cb/Cr信号,送到HDMI的发送芯片。HDMI的发送芯片把Y/Cb/Cr信号转换为HDMI发送出去。这时四个HDMI端口同时有信号输出,同时带有信号的复制和增强功能。单片机通过I2C总线控制各个芯片的初始化以及状态机的变化,完成EDID的读取和HDCP的校验等工作。


免责声明:
文章内容转自互联网,不代表本站赞同其观点;
如涉及内容、图片、版权等问题,请联系2644303206@qq.com我们将在第一时间删除内容!